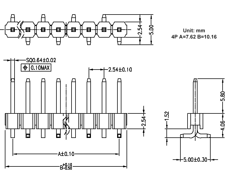
2.54MM (0,1'') PLOT PIN HEADER
SPECIFICATION
MATERIALS (CONTACT): aliaj de cupru, aur sau staniu (pestenichel) termina
MATERIALS (carcasele): standard sau de înaltă temperatură din material plastic, evaluat la UL94V-0
CURRENT: 3A pentru fiecare contact
MAXIMUM TENSIUNE: 800V AC, 500V DC
Contact REZISTENTA: 30mΩmax
INSULATION REZISTENTA: 1,000mΩmin
OPERATING TEMPERATURA:-40℃pentru 105℃
DURABILITY: 300 de cicluri de împerechere (aur) sau 50 de cicluri de împerechere (staniu)
DRAWING
Ce'? e funcția de antet pIN funcție
iți este de funcționează ca o punte de legătură între circuitele blocate sau izolate în placa de circuit PCB și responsabil pentru transmiterea curentului sau a semnalului.
Ce sunt HRE modele de antet pIN?
Există multe tipuri de antete pinilor, care sunt clasificate în conformitate cu standardele în industria electronică pentru a satisfacenevoia diferită. Conform spațiului, acesta poate fi împărțit în aproximativ 2,54 mm (0,1 inch), 2.0mm (0,079 in), 1.27mm (0,05 in), 1.0mm (0,04 in), 0.8mm (0,03 in). Distanța dintre pini este denumită în mod obișnuit în comunitatea electronică. În funcție denumărul de rânduri, există un singur rând, rând dublu, trei rânduri, etc. Conform utilizării pachetului, există patch-uri SMT (suprafață \\ versiune tehnologienmount) și conector-cu DIP (PIN-ul prin intermediul dispozitivelor gaura),-între ele, SMT antete pIN pot fi împărțite în antet pini orizontală și verticală antet pini și tipurile DIP pot fi împărțite în antet drepte inserție cep și îndoire pin antet inserție. Pe lângă asta, l-am împărțit în trei tipuri în funcție de metoda de instalare, 180 ° instalare este reprezentat de S"90 ° instalare este reprezentat de"W"și instalarea SMT este reprezentată de"T"."
Ce&39; s intervalul de aplicare a antet PIN-ul#
gamaApplication:? date echipamente de prelucrare, program de calculator, echipamente de control, electronic echipamente, echipamente de control automat, echipamente de automatizare, echipamente de comunicații, etc de măsurare

nume: Haimei Liang
Denumirea funcției: sales manager
Departament: Sales Department
Telefonul companiei: +86 0769 83450370
E-mail: Contacteaza-ne
Telefon mobil: +86 18929181819
website: dgwin.romb2b.com
Adresa: No.67,Dongshen Road,Qiaotou Town,Dongguan City,China