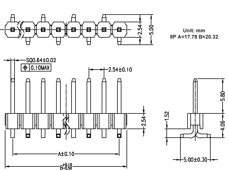
2.54MM (0,1'') PLOT PIN HEADER
materiale (contacte): aliaj de cupru, aur sau staniu (pestenichel) finisaj
materiale (carcase): plastic standard sau de înaltă temperatură , evaluat la UL94V-
-
n
INSULATION REZISTENTA: 1,000MΩ min
OPERATING TEMPERATURA:40 ℃ la 105 ℃
DURABILITY: 300 de cicluri de împerechere (aur) sau 50 de cicluri de împerechere (staniu)
&DRAWING#
(Contact cu echipa de vânzări pentru a obține mai multe detalii despre dimensiunile ) Funcția headerului PIN?
\\ Funcția Nits este de a funcționa ca o punte între circuitele blocate sau izolate în circuitul plăcii PCB și responsabil pentru transmisia curentă sau de semnal.
what sunt PIN PIN HRE modele de antet?-- ""Există multe tipuri de antete pinilor care sunt clasificate în funcție de Standar DS în industria electronică pentru a satisfacenevoia diferită. Conform spațiului, acesta poate fi împărțit aproximativ în 2,54 mm (0,1 in), 2,0 mm (0,079 in), 1,27 mm (0,05 in), 1,04m (0,04 in), 0,8 mm (0,03 in). Distanța dintre pini este denumită în mod obișnuit în comunitatea electronică. Potrivitnumărului de rânduri, există un singur rând, dublu rând, trei rânduri etc. În conformitate cu utilizarea pachetului, există patch-uri SMT (suprafață"mount tehnology versiune) și plug"in dip (PIN prin dispozitiv de gaură),"Printre ele, anteturile PIN-urilor SMT pot fi împărțite în antetul pinului orizontal și antetul pinului vertical, iar tipurile de dip pot fi împărțite în antetul pinului de inserție și încorporarea încorporării. În plus, am împărțit-o în trei tipuri în funcție de metoda lor de instalare, instalația de 180 ° este reprezentată de"s, de 90 ° Instalare este reprezentată de
w, iar instalarea SMT este reprezentată det .
&#
Ce39; s domeniul de aplicare a antet PIN

nume: Haimei Liang
Denumirea funcției: sales manager
Departament: Sales Department
Telefonul companiei: +86 0769 83450370
E-mail: Contacteaza-ne
Telefon mobil: +86 18929181819
website: dgwin.romb2b.com
Adresa: No.67,Dongshen Road,Qiaotou Town,Dongguan City,China