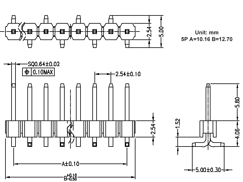
2.54MM (0,1'') PLOT PIN HEADER
SPECIFICATION
MATERIALS (CONTACT): aliaj de cupru, aur sau staniu (pestenichel) finisaj
MATERIALS (Incinte): standard sau High Temperature din material plastic, evaluat la UL94V-0
CURRENT: 3A pentru fiecare contact
MAXIMUM TENSIUNE: 800V AC, 500V DC
Contactați REZISTENȚĂ: 30 mΩ\\ Vmax
INSULATION REZISTENȚĂ: 1000m
-
℃℃
℃
~n
DRAWING

&#
Ce 39; s funcția de antet pIN funcție
\\ lindinile este să funcționeze ca o punte de legătură între circuitele blocate sau izolate în placa de circuit PCB și responsabil pentru curent sau semnal? TransmissionnCe sunt HRE modele de antet PIN-ul?
--Există multe tipuri de antete pinilor, care sunt clasificate în conformitate cu standardele în industria electronică pentru a satisface diferite care aunevoie. Conform spațiului, acesta poate fi împărțit aproximativ în 2,54 mm (0,1 in), 2,0 mm (0,079 in), 1,27 mm (0,05 in), 1,04m (0,04 in), 0,8 mm (0,03 in). Distanța dintre pini este denumită în mod obișnuit în comunitatea electronică. Potrivitnumărului de rânduri, există un singur rând, dublu rând, trei rânduri etc. În conformitate cu utilizarea pachetului, există patch-uri SMT (suprafață mount tehnology versiune) și plug"in dip (PIN prin dispozitiv de gaură),"Printre ele, anteturile PIN-urilor SMT pot fi împărțite în antetul pinului orizontal și antetul pinului vertical, iar tipurile de dip pot fi împărțite în antetul pinului de inserție și încorporarea încorporării. În plus, am împărțit-o în trei tipuri în funcție de metoda lor de instalare, instalația de 180 ° este reprezentată de"s", de 90 ° Instalare este reprezentată de"w", iar instalarea SMT este reprezentată det
.
&#Ce39; s domeniul de aplicare a antet PIN
Application gama: echipamente de prelucrare a datelor, Computer , Echipamente de control al programului, echipamente electronice de măsurare, echipamente automate de control, echipamente de automatizare, echipamente de comunicații etc.

nume: Haimei Liang
Denumirea funcției: sales manager
Departament: Sales Department
Telefonul companiei: +86 0769 83450370
E-mail: Contacteaza-ne
Telefon mobil: +86 18929181819
website: dgwin.romb2b.com
Adresa: No.67,Dongshen Road,Qiaotou Town,Dongguan City,China