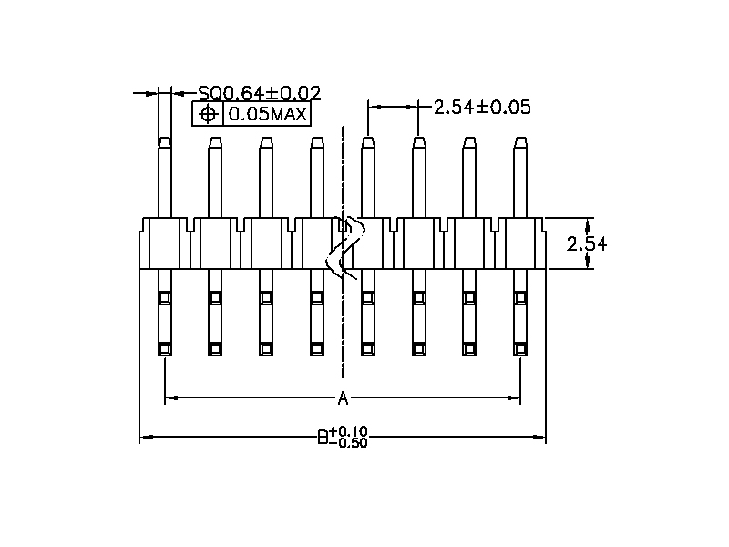
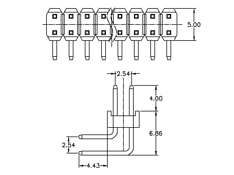
2.54MM (0,1'') PLOT PIN HEADER
SPECIFICATION
MATERIALS (CONTACT): aliaj de cupru, aur sau staniu (pestenichel) termina
MATERIALS (carcasele): standard sau temperatură înaltă din material plastic, evaluat la UL94V-0(Standard materialul PBT+30% GF RoHS)
CURRENT: 3A per contact de
MAXIMUM TENSIUNE: 800V AC, 500V DC
Contactați REZISTENȚĂ: 30 mΩ\\ Vmax
INSULATION REZISTENTA: 1,000mΩmin
OPERATING TEMPERATURA:40-℃pentru 105℃
DURABILITY: 300 de cicluri de împerechere (aur) sau 50 de cicluri de împerechere (staniu)
DRAWING
Pachetul în bandă:tipAceastă de pachet este pentru conectori SMT, protejează știfturile de deformare
Convenient pentru asamblarea și prelucrarea automată de preluare, și a salva o mulțime de costuri forței de muncă
Pachetul în tub.:Acest tip de ambalaj este potrivit pentru mai multe tipuri de conectori în funcție denecesități, acest p Metoda de Ambalare protejează mai bine pinii de deformare
Pachetul în saci PE:.Acesta este cea maic \\ ambalajnommon, potrivit pentru produse wher101; aculnu este ușor de deformat, dezavantajul este că protecția produsului este mic, avantajul este de economii de cost&#
Pachetul în caseta Blister:.Commonly ambalajele utilizate, un pic similar cu ambalaj tub blister, poate proteja mai bine cusătura produs
Ce39;.? i PIN antet&#
Pin antet este un fel de conector electric. Noi de obicei abreviat ca pH-ul sau antet simplu,și au reputația de connectors.This universale tip de conector este utilizat pe scară largă în plăcile cu circuite PCB în electronică, aparate electrice, și contoare.
Ce39; pS funcția de antet pIN funcție&#\\ lindinile este să funcționeze ca o punte de legătură între circuitele blocate sau izolate în placa de circuit PCB și responsabil pentru transmiterea curent sau a semnalului.
Ce sunt HRE modele de antet PIN-ul?
Există multe tipuri de antete pini care sunt clasificate în conformitate cu standardele în industria electronică pentru a satisface diferite care aunevoie. Conform spațiului, acesta poate fi împărțit în aproximativ 2,54 mm (0,1 inch), 2.0mm (0,079 in), 1.27mm (0,05 in), 1.0mm (0,04 in), 0.8mm (0,03 in). Distanța dintre pini este denumit în mod obișnuit ca pas în comunitatea electronică. În funcție denumărul de rânduri, există un singur rând, rând dublu, trei rânduri, etc. Conform utilizării pachetului, există patch-uri SMT (suprafață \\ versiune tehnologienmount) și conector
cu DIP (PIN-ul prin intermediul dispozitivelor gaura),între ele, SMT antete pIN pot fi împărțite în antet pini orizontală și verticală antet pini și tipurile DIP pot fi împărțite în antet drepte inserție cep și îndoire pin antet inserție. Pe lângă asta, l-am împărțit în trei tipuri în funcție de metoda de instalare, 180 ° instalare este reprezentat deS-90 ° instalare este reprezentat de-W și instalarea SMT este reprezentată de"T".""""
Ce
39; s domeniul de aplicare a antet PIN&#Application gama: echipamente de prelucrare a datelor, Computer , echipamente de program de control, echipamente de măsurare electronice, Aparatura de regulare automatică, echipamente de automatizare, echipamente de comunicații, etc

nume: Haimei Liang
Denumirea funcției: sales manager
Departament: Sales Department
Telefonul companiei: +86 0769 83450370
E-mail: Contacteaza-ne
Telefon mobil: +86 18929181819
website: dgwin.romb2b.com
Adresa: No.67,Dongshen Road,Qiaotou Town,Dongguan City,China