2.54MM (0,1'') PLOT BOX COLECTOR
SPECIFICATION
MATERIALS (CONTACT): aliaj de cupru, aur sau staniu (pestenichel) finisaj
MATERIALS (Incinte): standard sau High Temperature din material plastic, evaluat la UL94V-0
CURRENT: 3A pentru fiecare contact
MAXIMUM TENSIUNE: 800V AC, 500V DC
Contactați REZISTENȚĂ: 30 mΩ\\ Vmax
INSULATION REZISTENȚĂ: 1,000mΩmin
OPERATING TEMPERATURA:40-℃pentru 105℃
DURABILITY: 300 de cicluri de împerechere (aur) sau 50 de cicluri de împerechere (staniu)
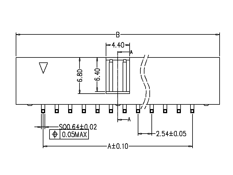
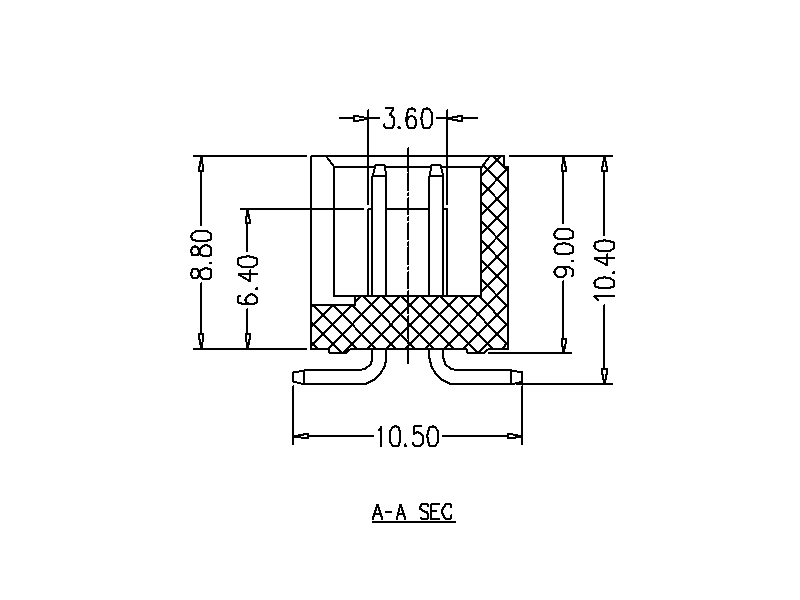
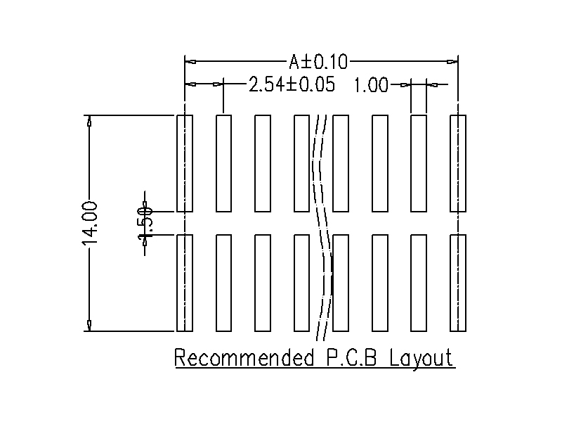
DRAWING
Ce's caseta antet?
Box Header este de obicei compus dintr-o bucșă din material plastic pătrat și unnumăr de ace pătrate aranjate ordonat. Diferența dintre conector Box antet și conectorul corn (de asemenea,numit antet caseta ejector sau antet ejector) este că cornul simplu îndepărtează cataramele de pe ambele părți
Classification de pas:.
According cerințelor, dimensiunile exterioare ale conectorului antet cutie sunt frecvent utilizate în 1.27 smoală, 2,0 smoală și 2,54 pitch.According cu distanța, diametrul știftului pătrat utilizat este de asemenea modificat în consecinţă.
Classification prin metoda de operare:
Versiunea fund și PCB suprafețe de contact pot fi proiectate ca patch-uri SMT sau DIP înline de 180 de grade. Conform aspectului, antet cutie poate fi împărțită în 90 de grade unghi drept DIP Box Antet, SMT Box antet, 180 grade Dip Box antet și antet Cutie cu bloc, etc.The Cutie cu antet bloc pot fi împărțite în tip DIP și tip SMT pentru diferența de a aveanevoie de-
Versiunea de fabricație metoda de antet Box:.
Every caseta antet este făcută prin turnarea prin injecție, ștanțare și asamblare. După asamblarea este finalizată, produsul va fi testat electric. Asigurați-vă că produsul îndeplinește cerințele de calitate după finalizarea și evită transporturile de produse cu defecte la client
conectoriVersiunea se potrivesc cu antet Box:.
Box antet conector de obicei împreună cu linia de presă IDC sau linia de terminale ca linie de conexiunea bord. Și, de asemenea, pot fi împreună cu capul Femeie relativă conector sau ca un sprijin de dovezi cu cucui prost la un bord la bord conexiune. Noi TXGA avem complet caietul de sarcini de producție și, de asemenea, se poate face de construcții Caseta antet Conector în conformitate cu cerințele clienților;
Function:. După ce caseta antet este lipit pe PCB, conectați cablul IDC din caietul de sarcini corespunzător și apoi formează o conexiune de circuit cu celălalt circuit pentru a satisface proiectantul&39; s cerințe. De obicei, este folosit pentru a semnalelor de control de transmisie și curenți slabi#
Application:. Caseta antet este utilizat pe scară largă în IC.It circuit integrat este un fir la bord connector.They poate fi văzut în multe mașini electrice.

nume: Haimei Liang
Denumirea funcției: sales manager
Departament: Sales Department
Telefonul companiei: +86 0769 83450370
E-mail: Contacteaza-ne
Telefon mobil: +86 18929181819
website: dgwin.romb2b.com
Adresa: No.67,Dongshen Road,Qiaotou Town,Dongguan City,China